System Introduction
The primary power distribution system (10kV high voltage) is stepped down to 380V/220V low voltage by a transformer and then directly supplies power to clean rooms, process equipment, and power equipment. It is also the final point where electricity is connected to the equipment.
Mainly used in
Power supply for core process equipment such as lithography machines, etching machines, and thin film deposition machines
Power supply for cleanroom FFU fans, air conditioning, and temperature and humidity systems.
Power supply for special gas holders, chemical conveying, and exhaust gas treatment systems
Power supply for auxiliary systems such as factory monitoring, security, and fire protection
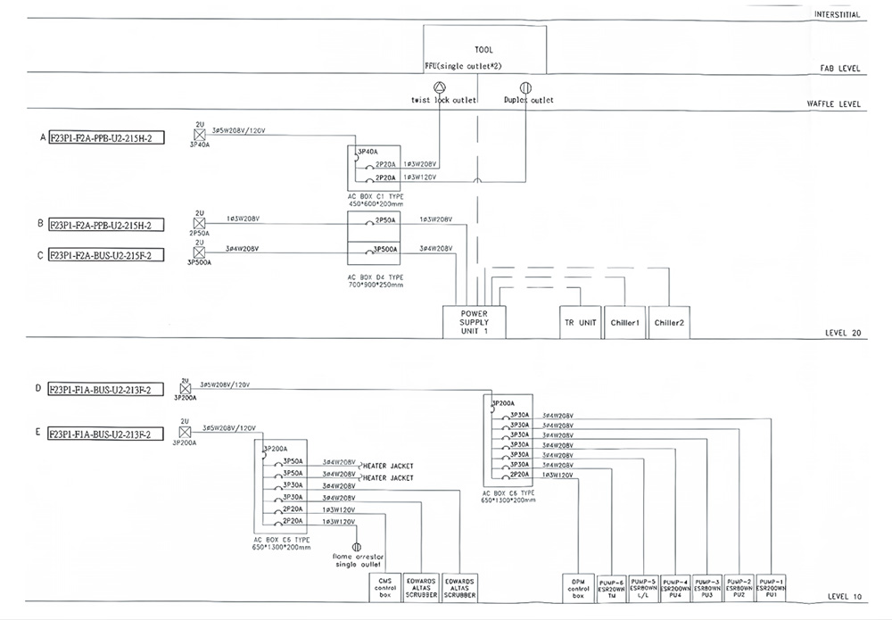
Secondary configuration design case of a certain equipment
